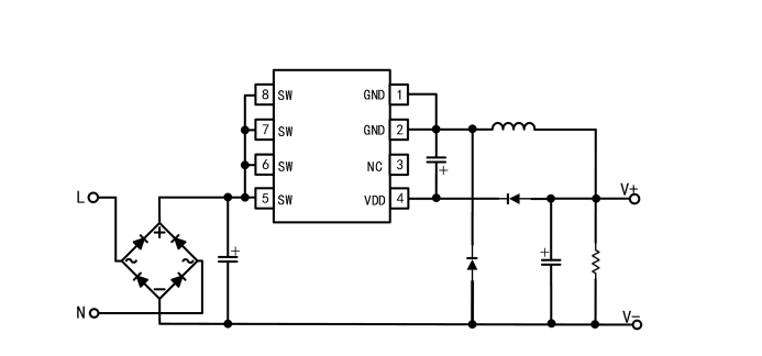
G2363P-12非隔離12V350MA直插DIP7
12V 350MA DIP7
12V 350MA DIP7
高性能低成本非隔離交直流轉換芯片
G2363X-12 是一款高集成度、高性能、低待機功耗的開關電源芯片,適用于非隔離開關電源應用。
G2363X-12 內部集成了高壓啟動電路、電流采樣電路、電壓反饋回路。外部無需啟動電阻、電流采
樣電阻和電壓采樣電阻,極大地減少了外圍器件數量,節省了系統成本和體積,同時采用先進的技術
無需其他補償器件即可實現優異的輸出電壓精度和負載調整率。
G2363X-12 提供了豐富的保護功能,包括:VDD欠壓和鉗位保護、輸出過壓保護、過流保護、過溫
保護、輸出短路保護等。
G2363P-12特點
內置高壓功率管
內置高壓啟動電路,電流、電壓采樣電路
固定 12V 輸出應用
優異的動態響應
內置軟啟動電路
集成完善的保護功能:
VDD 欠壓和鉗位保護、輸出過壓保護、過流保
護、過溫保護、輸出短路保護等
G2363P-12應用
AC-DC 非隔離開關電源
小家電輔助電源
電機驅動輔助電源
智能照明輔助電源
封裝模式 SOP8 和 DIP
